BATTERY ISOLATORS, SURGE PROTECTORS, ETC.

ON THIS PAGE:

Battery Isolators

Voltage Spikes & Dual Batteries

Surge Protectors

Links


Late model vehicles are ultra-sensitive to electrical alterations because of the preponderance of semiconductors controlling things that were always mechanical in the past. A dual-battery system would never cause any electrical damage in an older vehicle. The electromagnetic "kickback" of the starter, when it suddenly stops turning once the engine starts, causes a voltage "spike" to shoot through the car's electrical system. When two or more batteries are wired to the starter, any subsequent voltage spike is thus increased. In today's vehicles this can damage the computer or any of a dozen-or-so sensors and regulators.

"So: Do YOU Have A Solution?"
Having experienced a bunch of electronic sensors and circuits getting toasted after a dual battery setup, I've decided on the following "solution" for when (and if) I do it again: Treat the second battery as though it were connected through the cigarette lighter. This means, narrow-gauge wire and an inline fuse (I think a 30 amp fuse is safe enough). The second battery will get a "trickle charge," which should be good enough to assure reserve power when needed, and simultaneously prevent a double-blast of Cold-Crank-Amperage hitting the starter, which would subsequently release a double-voltage spike onto the delicate little semiconductors.

The following are other solutions, as well as interesting descriptions of the contingencies posed by a multi battery system. Battery Isolators and manually-controlled switches are more typical solutions. Other devices are listed below which may or may not work, but this is just to show what's out there in the way of protection for your vehicle's electrical system.
- Ray Jefferson                                                





Battery Isolators

[http://groups.yahoo.com/group/classicrv/message/10469 ]

Message 10469 of 13835 / Date: Mon Dec 2, 2002 9:42 pm / Subject: RE: [classicrv] Battery isolator

If it is unwired you will find an 8 to 10 GA wire that goes from the alternator output to either the hot terminal on the starter, or the positive terminal on the chassis battery. This wire should be disconnected from the battery, or starter, and run to the input terminal of the isolator, which will probably be labeled COMmon, or ALTernator. The isolator has two outputs usually labeled "A" and "B". You can hook them up any way you want.. "A" to the chassis battery, or hot terminal of the starter [wherever the wire originally disconnected was attached].

Use 8 GA wire for this new connection. Next run an 8 GA wire from terminal "B" to the coach battery, or the common buss of the coach fuse block. Try to determine how it is wired now. Are the chassis and coach batteries strapped in parallel? Find the feed point for the coach battery, and wire that point to "B". If you have wired the isolator correctly you can run a voltage check. With the engine off there should be no voltage at the COMmon or ALTernator terminal on the isolator. Terminals "A" and "B" should have anywhere from +12.8 to +13.3 Volts DC on them, depending on the batteries state of charge.

With the engine running, the "A" and "B" terminals should measure anywhere from +13.8 to +14.4 VDC and the ALTernator or COMmon terminal should measure anywhere from +14.5 to +15.1 VDC. All an isolator is.... is two large high-current diodes that have their anodes connected together [which is the alternator connection], and the cathodes are connected to terminals "A" and "B". If you are real clever with an Ohm-meter you can figure this out, even if the terminals are unlabeled. The alternator will always tend to run 0.7 Volts higher than the two batteries when the engine is running.
--------------------------------

[http://www.colehersee.com/04resource/tec%5EBatt%20iso.htm#how%20work ]

How does a Battery Isolator work?

Simple. It's an electronic sealed unit that contains two diodes.

Diodes, if you remember, permit current to flow in one direction only. Power supplied to the middle stud of the Battery Isolator flows to each of the other studs. Current cannot flow back from one of the batteries to the other battery. Charging current flows preferentially into the battery with the lowest charge (because of the higher potential difference).

Because they're solid state, isolators have a long life. They're not susceptible to contaminants, vibration, or extremes in temperature
---------------

You can use center conductor to split the current into TWO halves to the ONE Auxiliary battery, which will double the current carrying capacity.

[ Schematic from: http://www.hellroaring.com/Custom%20Truck.php ]
"This device allows you to isolate your starting battery from all your deep cycle or accessory loads and provide the most efficient charging to both battery systems. Probably the best connection method is to connect your starting battery only to your starter circuit. Then isolate this circuit from all other loads and your deep cycle battery using the BIC-75150A. A starting battery rarely accepts more than 60 amps from an alternator. The BIC-75150A can handle this very well. And since all your accessory loads and deep cycle batteries are connected directly to your alternator, you can use any size alternator! A 300+ Amp alternator will not affect the BIC-75150A battery isolator / combiner when connected in this way!

[http://forums.vmag.com/suv4runner0600/messages/4414.html ]

A battery isolator is basically two diodes connected between the alternator and the two batteries. The diodes only allow current to flow into the batteries. Not between the batteries. The one I have was about $40 and is fully enclosed in a heat sinc.
----------------

Dual Battery, Voltage Spikes, etc


[www.exploroz.com/Forum/Archive/3073.asp ]

Don't have to worry about voltage spikes etc. Batteries recharge quicker without potential voltage drop problems through an isolator system.
-----------------
[http://www.4wdsystems.com.au/html/isolators.htm. ]

One of the by products of any isolator system is voltage spikes, caused by the switching of high currents. The Intelligent Isolator has an inbuilt surge protection device to protect your vehicle, its computer or any other radio or electronic equipment from these spikes. Most isolators do not have this inbuilt protection.
-------------
[Image: www.webejeepin.com/images/Glenns_Jeep/DualBatteries.jpg]

[http://www.flexcharge.com/flexcharge_usa/manuals/pv7-pv14_manual.pdf.]

What is the function of blocking diodes in a Photovoltaic (PV) system?1 To prevent the flow of electricity into the panels when the panels are not making electricity, and to prevent voltage spikes in the system from reaching the panels...
----------
[http://www.geocities.com/harald_nancy/isolator.htm ]

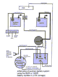
Relay versus Isolator? Some call the dual battery relay a "battery-isolator-relay? Don't let that confuse you. The relay is not a "battery isolator". A dual-battery-relay (see "relay" page) is a simple switch, disconnecting the two batteries, when the engine is turned off. But the moment the relay reconnects the batteries, the drained battery robs power from the starting battery. This sudden transfer of current from one battery to another can damage batteries, and shorten their life. That is one of the reasons bigger mobile homes, trucks etc. mostly use "battery-isolators?for multi-battery installations. You can also use this isolator technology in a vanagon to keep two batteries charged.

It is safe to use 2 dissimilar batteries with the isolator. Example: one old marginal batt. for the aux, and a strong new batt. for main battery. Or small deep cycle, and regular main batt.
Slight alteration to the regulator is required, to compensate for the 0.7 v. voltage drop across the diodes.
-----------

[http://www.carsound.com/columns/navone/ ]

Intelligent Circuit Breakers Basically, an ICB looks and functions like a mini dual-battery isolator, however, the voltage drop across a dual-battery isolator at 500 amps would surely limit a "high-end?car audio system. Also, a dual-battery isolator under such conditions would require massive heat sinking fins and large cooling fans. Additionally, the diodes in a dual-battery isolator build up more and more heat as the current increases. This is the same situation as for a fuse. Just when the most current is needed, the dual-battery isolator consumes a maximum amount. The ICB solves this problem because the voltage drop across the semiconductor devices is incredibly small.
=------------------
[http://www.colehersee.com/04resource/faqs.htm ]

What type of Battery Isolator should be used with the Delcotron CS Series alternator?

Use the four terminal Battery Isolator (Cole Hersee 48122, 48092 or 48162). The fourth terminal (#10 stud) is used to excite the alternator .It supplies +12V to the alternator when the ignition switch is turned On.
--------
[http://www.thezeb.com/caraudio/lightningaudiobatteryisolators.html.]

theZEB.com, 174 Crawford Road, Suite D, Statesville, NC 28625; toll-free: 877-922-8346 /or: 704-883-0123 / fax: 704-883-0261 / email: sales@thezeb.com

Lightning Audio Battery Isolators:
Use these high-quality battery isolators to isolate your main battery from your extra batteries. These battery isolators will keep your main battery fully charged before charging your auxiliary batteries. Need help picking out the correct unit? Give us a call.

ISO70 -- 70 amp dual battery isolator Your Price $49.99
ISO95 -- 95 amp dual battery isolator, Your Price $59.99 / / ISO120 120 amp dual battery isolator, CS $119.95 Your Price $79.99 / / ISO120G 120 amp dual battery isolator for VW, Mercedes, Porsche, etc. $129.95 Your Price $89.99 / / ISO160 160 amp dual battery isolator, CS $179.95 Your Price $129.99 / / ISO240 240 amp dual battery isolator, CS $259.95 Your Price $179.99 / / ISOHARM Wiring harness for connecting CS style isolator to GM Vehicles $24.95 Your Price $17.99
-------------
[www.dyersonline.com/merchant.mvc?Screen=PROD&Product_Code=55-9418&Category_Code=Electrical-Battery+Isolators ]

Dyer's RV Customer Service Department 1686 E. Auburn Rd. Rochester Hills, MI 48307 866-713-3429

* SurePower 95 Amp Isolator / Code: 55-9418 / Price:$51.95 / Shipping Weight: 5.00 pounds /

95 amp 2 battery isolator for use with new Delcotron CS Series 121 (50,75 amps) and 130 (85 amps) alternators. For GM vans and light trucks (1986 and up) and some late model Toyota chassis. Use with 50 amp circuit breaker (not included). Includes Wiring Kit.

* SurePower 120 Amp Isolator w/ Wiring Kit Product Code: 55-9419 Price: $72.95 120 amp, 2 battery isolator for Delcotron CS Series 130 (100,105 amps) and 144 (120 amps) alternators. For GM light trucks (1986 and UP) and "P" Series RV chassis (1987 and up). Use with 80A circuit breaker (not included). 1 per pack.
----------

[Battery Isolators & etc, volume II]


{Cole Hersee Isolators]
48122 the 140 amp version for Delcotron alternators: three 5/16" studs and one #10 stud (an extra stud to excite the Alternator
48092 - the 90 amp version of GM Delcotron Isolator

[http://moab.off-road.com/pipermail/jeeptech/msg09365.html ]

The diode types are somewhat unreliable. The diodes burn out all the time unless the amp rating of the alternator is LESS than the amp rating of the diode. Even then they get pretty hot which contributes to their death (notice all those alluminum cooling fins on it). With a 90amp alternator an isolator switch is going to be pretty expensive (like $50 or so, I think). You should probably go with either a solenoid type switch (basically a mechanical relay) which will be more reliable. I prefer either a battery knife switch or a heavy duty rotary switch. These are available for around $20 at any auto parts store. The only problem with any of these is that they aren't automatic. You have to flip them on and off and if you forget... The wiring is pretty simple though. I used to use a triple battery combo in my Dodge. I used 2 gauge wire from the battery in the front to the batterys in the back. This way, I could actually start off either set of batteries. I isolated them with a mechanical rotary switch with a very high amp rating (a $20 switch). This setup has worked flawlessly for me for over five years. Those isolators are pretty cool though. I had one once and it burned out (of course) and I had to rewire the rig on the side of the highway to get it to run. Not fun.
------------------------------
[http://www.yandina.com/combInfo.htm ]

When you use a battery ISOLATOR, it has a built in diode voltage drop of about 0.6 volts, even when no current is flowing. This makes a significant difference to the charge accepted by the battery. To overcome this, the external sense wire can be connected directly to the battery so the alternator will raise it's output by the 0.6 volts to get the sense wire up to the correct full charge voltage.

In simple installations this will work OK but typically in boats or RVs, with selector switches and multiple battery banks, it is a disaster waiting to happen. If the sense wire is switched to the starting battery, and the alternator on the house battery then the house battery will be overcharged. The owner sensing something is wrong turns the alternator selector switch off, now disconnecting the battery load from the alternator. The sense wire is still calling for charge so the output of the alternator (now without any load) raises to over 100 volts with all the house battery items - electronics, lamps, instruments, etc., still connected to it!!!

So the fewer switches, fuses, wiring or anything that can cause the wrong voltage to come back on the sense wire, the safer in general you will be. This, in essence, is one of the main advantages of a COMBINER over an ISOLATOR. In combiner hookups, the alternator is directly connected to one of the batteries with no diodes in between which introduce a voltage drop or which can open circuit (or short circuit) on overload. Since it is a direct connection, there is no longer any need to bring the sense wire out to the battery so the whole setup is much safer.
-----------------------------

SURGE PROTECTORS

The ZAP stop:- While on the alternator subject, another area of concern is the alternator output cable going to the battery. Even with the sense wire eliminated or connected directly to the alternator output, there is always some delay in the regulator/alternator system response time (milliseconds) so if a switch is opened between the alternator output and the battery the current is flowing into, the sudden removal of that load allows the alternator output to produce a high voltage spike. Within milliseconds the regulator cuts it down but never quick enough to stop the spike. This spike can kill electronic equipment and can damage the alternator rectifiers.

So in any alternator circuit that has a switch between the alternator and the battery, you should install a "Zap Stop" from the alternator output terminal to ground (metal frame of engine). These are voltage sensitive devices which turn on as soon as the voltage starts to rise too high and absorb the spike. They should be connected right on the alternator or as close as possible. On some engines, especially outboards, the closest location you can place it may have to be on the starter motor positive terminal and ground.

West Marine stores carry them for about $25 list - cheap insurance. They can only absorb the spike for a few thousandths of a second which means they CANNOT provide protection for the extended high voltage conditions mentioned above.

------
{ZAP STOP}

[From West Marine online store] [http://www.westmarine.com ]

At least once in every boater's life, someone will turn the battery switch to OFF with the engine ON. This usually damages one or more of the alternator diodes, since the voltage rises quickly above the limits of the diodes, leaving you without a way to charge your batteries. $25.

Dual-output alternators will require a Zap Stop for each positive output terminal / / Special diode will protect your alternator from damage / / Simple installation
------------
[ http://www.geocities.com/bill_dietrich/BoatElectrical.html.]

The Zap Stop explained:

A zap stop is not a fuse. It is not associated directly with the ignition or battery switch. It connects between any 12 volt circuit and ground with 12 volts across it. While the voltage remains within normal operating limits, it has zero effect, but if the voltage rises too high, it starts to conduct electricity and absorb the high voltage to protect alternator diodes, electronics, light bulbs, etc.

A typical installation point is across the alternator output. Alternators can self destruct if disconnected from their load (battery) while they are charging. The reason is the current put out by the alternator is being regulated by the regulator and it uses battery voltage to determine how much current to produce. If you remove it from the load while it is charging, the voltage suddenly rises since the current no longer has a load to absorb it. This sudden rise is immediately detected by the regulator but it has to change the excitation voltage on the alternator and this process takes a few thousandths of a second before it is again under control. During those few thousandths of a second, the voltage can reach hundreds of volts - enough to self-destruct the alternator and any other electronic devices that were disconnected from the battery with it.

The zap stop can absorb hundreds of amps for a few thousandths of a second and limit this voltage spike to safe limits to provide the protection. All boats should install one across their alternator as a safety precaution, especially if using an isolator or if the alternator output can be switched. With a battery combiner, however, the alternator output is always directly connected to a battery so they are not necessary.

Another place for them is across the bus bar that supplies power to your electronics panel to protect against a voltage spike, in particular for protection from the induced voltage of a nearby lightning strike that just missed you.

They cannot protect against loss of regulation on an external sense alternator where the sense lead becomes disconnected or grounded. Although they absorb the initial spike, if it lasts for more than a few thousandths of a second, the zap stop will overheat and self-destruct too. With say 25 volts across it, and say 200 amps flowing through it, the heat build up is 5,000 watts so it can only absorb this for a few thousandths of a second before overheating.

West Marine sells the Heart brand - price about $25.

A "Zap Stop" Criticism:
A Zapstop will be hard pressed to suppress a large alternator that suddenly goes open circuit under a high load. They have a very limited capacity and will be often destroyed by this kind of overload, but hopefully absorb enough of the spike to save the alternator as they martyr themselves.
-----------------

An email sent to AntiZap:
Subject: RE:_ANTIZAP®_SURGE_PROTECTOR
To: "info" info@goodallmfg.com

I want to use the Antizap to protect the car's computer & sensors from spikes produced by the starter. (The battery itself, of course, does not produce spikes.) Does it work if it's wired to a specific circuit such as the computer and sensors? Thanks.

---------------------------

REPLY: "info" info@goodallmfg.com / Subject: RE:__ANTIZAP®_SURGE_PROTECTOR_ / Date: Wed, 1 Oct 2003 17:08:22 -0500

I received the following information from David Lee in our technical department. If you have any further questions feel free to give him a call at 800-328-7730.

It will work when connected to the battery or the positive lead on the starter. It is designed and therefore easier to mount to the battery.

If you look at the positive wires going to the power on any electrical component, they all start at the positive terminal at the battery. The ground is usually closer to the electrical component. So, if you feel better mounting it closer to the starter that is OK to do.

The battery acts like a sponge to water. Any surges are seen at the battery, the battery absorbs as much of the surge as it is capable of. The battery keeps the voltage fairly level. If the Anti Zap surge protector is mounted at the battery it protects even better if the vehicle needs a jump start.

We are not worried about the starter motor. Over the years there has not been any proven tests showing the starter has caused any damage from surges.

In response to your question regarding computers or sensors, the answer is yes. The Anti Zap should be connected to a circuit that is never switched off. Scott Anderson
---------------------------------
[Spike Protectors]
MATSON'S ANTIZAP® SURGE PROTECTOR SAVES ELECTRICAL SYSTEMS

WALLED LAKE, Mich., Nov. 3, 1998 -- The Antizap® Surge Protector from Matson-U.S.A., when installed on a vehicle or service equipment, can insure vehicle owners and the service community against costly damages to the electronic devices in their vehicles from transient voltage spikes or surges.

The proliferation of electrical and electronic devices in cars and trucks is fast taking us to the predicted point when 50 percent of our motor vehicles' working parts will be computerized items, all dependent on the battery.

The Antizap Surge Protector, which is connected to the terminals of a car's battery, is similar to the surge suppressor used in homes and offices to protect VCRs, TVs, computers and other electrical appliances. Connected to a car's battery, Matson's device becomes part of the vehicle's electrical circuit. As voltage spikes pass through the Antizap protector, they are "clipped" immediately to a level that is safe for the vehicle's electronics, and prevents damage to them.

According to Matson engineers, every time you make or break a circuit in a motor vehicle there is the danger of generating voltage spikes of anywhere from tens to thousands of volts. The relatively simple act of jump starting a car, changing a fuse or disconnecting the battery for charging are enough to generate potentially crippling spikes. Additionally, coils and contacts often cause voltage spikes, some of which are severe. Every relay, including solenoids, has a coil and contracts, so the potential for voltage spikes is significant.

"The Antizap Surge Protector eliminates damage to sensitive equipment in a car's electrical System, and that can mean more than 60 different computers as standard equipment in the average family sedan. The device protects computers, ECUs, EFI fuel systems, radio cassette players and CD players, fuel gauges, mobile phones and fax equipment, LED instrumentation, and car alarms. It is insurance for the electrical system," said Bill McCulley, Matson's National Sales Manager.

The Antizap Protector can be used with all 12 volt batteries of cars, boats, trucks and RVs. The unit is equipped with a green LED. As long as it flashes, the entire electronics package of the vehicle is protected from the risk of damage by voltage spike or surge.

Matson-U.S.A. markets an extensive line of Antizap® surge protection devices, brass battery terminals and cable products, Battery Tender® battery chargers, and related products. Matson-U.S.A. headquarters are at 4153 Pioneer Drive, Walled Lake, MI 48390. Matson's telephone is (248) 366-8400, their fax is (248) 366-8461. Matson's address on the Internet is www.matson-usa.com.

[ It's still unclear to me how this could protect circuits from, say, a spike coming from the starter and going throughout the rest of the electrical system, when this thing is attached to the terminals of the BATTERY. (The battery's not going to create a spike; only the the electromagnetic "kickback" of the starter could cause such a spike.) Their "sponge" explanation doesn't add up. -RJ ]

---------
[http://www.apajournal.com.au/article.asp?ArticleID=96 ]

Matson pioneered transient voltage spike protection with the Antizap range designed specifically for the automotive, marine and related markets.

Due to the increased number of electronic circuits and 'on board' computers in today's cars, even the relatively simple job of connecting and disconnecting battery leads, can destroy electronic circuitry, spike computer programs and activate alarm systems, which may cost thousands of dollars to rectify. Any electric welding on a car fitted with electronics is yet another hazardous exercise.

Seeing the need to counteract these problems Matson researched and developed a very simple device which protects the on board electronics from voltage spikes when all work from changing a fuse to welding on the vehicle is undertaken. The Matson Antizap Service Midner clamps to the battery cable terminals and prevents surges affecting the delicate wiring and chips in electronic devices.

The Antizap Service Minder is attached to both battery cables before any work is done, and left connected until completion of the work. By doing this, the battery need not be disconnected. Extensive testing of the product by University of New South Wales School of Electrical Engineering has certified that the 12 volt Antizap products limit voltage surges to a maximum of 22 volts, even with input voltages as high as 10,000 volts. Permanent voltage surge protection can be obtained by fitting an on-board Antizap surge protection device.
--------------
[http://www.matson-usa.com/index2.htm]

Antizap Surge Protectors - Permanently eliminates any possible damage to sensitive equipment in the car's electrical system.

Protects computers, ECU's, EFI Fuel Systems, radio cassette tape players and CD players, all modern LED instrumentation, alarms, mobile phones and faxes.

Universal fitment - 1 model fits all 12 Volt cars, boats, trucks and R.V.s.

As long as the Green LED flashes, your entire electronic system is protected from any risk of damage via transient voltage spikes.

For the store nearest you please call 1-800-328-7730
ANTIZAP SURGE PROTECTOR 12 VOLT $49.99
----------


LINKS

Sure Power Isolators AND "Battery Separators"

Sure Power Battery ISOLATORS - Incl. 160 Amp & Higher

160 amp - $71.85
160 amp for Delco $89.40

Sure Power Site - Products Page

Google: Sure Power Battery Isolators

Power Gate expensive, low voltage drop Isolators

PDF on which alternators go with which isolators.

Messageboard thread on Hookup: Isolator vs. Solenoid switch



TO MESSAGEBOARD > > >

HOME